
AOL series residual current action circuit breaker (with over-current protection) suitable for use inline AC50/60Hz, rated current up to 40A. AOL series residual current action circuit breaker (with over current protection) has the protection function of preventing leakage electric shock, overload, short circuit and so on. And it can also be used as a switch for connecting and disconnecting lines.AOLseries residual current action circuit breaker (with over-current protection) is widely used in industrial and commercial buildings, residential and other low-voltage terminal distribution places.
Product Selection:
Technical Parameters:
Type
AOL-32
Standard
GB16917.1, IEC61009-1
Functions
Short-circuit protection, Overload protection, Leakage Protection, Isolation function
Frame current(A)
32
Pole
1P+N
Rated current(A)
6、10、16、20、25、32、40
Rated voltage(V)
AC230
Rated insulated voltage(V)
AC500
Rated impulse withstand voltage(kV)
4
Rated residual working current(mA)
10、30、100
Residual current characteristics
A Type
Rated short-circuit breaking
6kA
Rated ultimate short-circuit breaking
6kA
Rated operating short-circuit breaking
6kA
Trip curve
B(3In~5In)
C(5In~10In)
Release Form
Thermomagnetic release
Electrical life
4000
Mechanical life
10000
Polluticn grade
2
Protection level
IP20
Temperature
-35'C ~ +70°C
Altfude
Do not exceed 2000m
Wiring terminal
Screw crimping
Max. connection capacity (mm)
25
Max. utimate torque (Nm)
2.5
Istallation category
II,III
Installation method
TH37-7.5 type DIN rail
Incoming Wirng method
Install the wire at the top
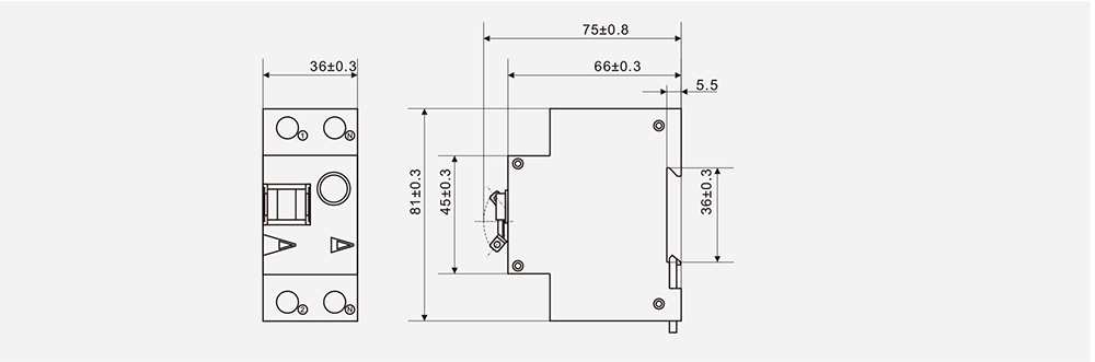
Outline Overall and Installation Dimensions (mm):
If you have any enquiny about quotation or cooperation,please feel free to emal us at sales06@aoasis.cn or use the folowing enuiry form.
Our sales representative will contact you within 24 hours. Thank you for your interest in our products